|
一般用于鍛冶爐、玻璃、陶瓷、蓄電池、無線電等行業強制高壓通風,并可廣泛用于糧食,飼料、礦粉等加工行業的物料輸送,也可以用于紙箱機械設備、鋼化玻璃設備等配套使用。輸送的介質為空氣和其他不自燃、對人體無害、無腐蝕性氣體,其體內不允許有粘性物質。介質溫度一般不超過50℃(最高不超過80℃),介質中所含的塵土及硬質細顆粒不大于150mg/m3。
9-19高壓離心風機 ,適用于很多場合,如:
性能范圍: 流量:36.6-2.51.5
m3/h 全壓:2763-16250Pa。
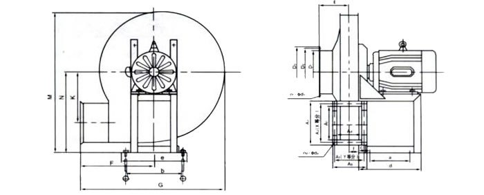
形式: 本通風機為單吸入,有№.4、4.5、5、5.6、6.3、7.1、8.9、10、11.2、12.5、14、16共13號型號。
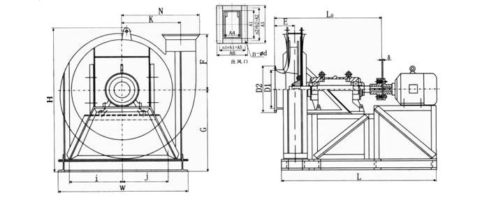
結構特點: №.4-6.3主要由葉輪、機殼、進風口、支架等組成;№.7.1-16
主要由葉輪、機殼、進風口、傳動組等組成。
|
|
9-19(26)高壓離心風機型號:4#-6.3#風量:824-7729m3/h 全壓:3110-9650 Pa 特點:采用A式直聯傳動,風壓高、效率高、高效區寬、結構緊湊、運行可靠 應用:高壓強制通風,如鍛冶爐等場合 |
|
9-19(26)高壓離心風機型號:7.1#-12.5#風量:3297-19986m3/h 全壓:3320-12350 Pa 特點:采用D式聯軸器直聯傳動,風壓高、效率高、高效區寬、結構緊湊、運行可靠 應用:高壓強制通風,如鍛冶爐等場合 |
|
| 型號 |
轉速 (rpm) |
風量 (m3/h) |
全壓 (Pa) |
內效率 (%) |
內功率 (KW) |
所需功率 (KW) |
電機 | |
| 型號 |
功率 (KW) |
|||||||
| 4A | 2900 | 824 | 3584 | 70 | 1.16 | 1.5 | Y90L-2 | 2.2 |
| 970 | 3665 | 73.5 | 1.33 | 1.7 | ||||
| 1116 | 3647 | 75.5 | 1.48 | 1.9 | ||||
| 1264 | 3597 | 76 | 1.64 | 2.1 | ||||
| 1410 | 3507 | 75.5 | 1.8 | 2.3 | Y100L-2 | 3 | ||
| 1558 | 3384 | 73.5 | 1.97 | 2.6 | ||||
| 1704 | 3253 | 70 | 2.17 | 2.6 | ||||
| 4.5A | 2900 | 1174 | 4603 | 71.2 | 2.07 | 2.5 | Y112M-2 | 4 |
| 1397 | 4684 | 75 | 2.38 | 2.9 | ||||
| 1616 | 4672 | 77 | 2.68 | 3.2 | ||||
| 1839 | 4580 | 77.3 | 2.98 | 3.6 | ||||
| 2062 | 4447 | 76.2 | 3.29 | 3.9 | ||||
| 2281 | 4297 | 73.8 | 3.63 | 4.4 | Y132S1-2 | 5.5 | ||
| 2504 | 4112 | 70 | 4.03 | 4.8 | ||||
| 5A | 2900 | 1610 | 5697 | 72.7 | 3.43 | 4.1 | Y132S2-2 | 7.5 |
| 1932 | 5768 | 76.2 | 3.98 | 4.8 | ||||
| 2254 | 5740 | 78.2 | 4.5 | 5.4 | ||||
| 2576 | 5639 | 78.5 | 5.04 | 5.8 | ||||
| 2844 | 5517 | 77.2 | 5.54 | 6.4 | ||||
| 3166 | 5323 | 74.5 | 6.17 | 7.1 | Y160M1-2 | 11 | ||
| 3488 | 5080 | 70.5 | 6.86 | 7.9 | ||||
| 5.6A | 2900 | 2622 | 7182 | 72.7 | 6.05 | 7 | Y160M1-2 | 11 |
| 2714 | 7273 | 76.2 | 7.02 | 8.1 | ||||
| 3167 | 7236 | 78.2 | 7.93 | 9.1 | ||||
| 3619 | 7109 | 78.5 | 8.88 | 10.2 | ||||
| 3996 | 6954 | 77.2 | 9.76 | 11.2 | Y160L-2 | 18.5 | ||
| 4448 | 6709 | 74.5 | 10.88 | 12.5 | ||||
| 4901 | 6400 | 70.5 | 12.09 | 13.9 | ||||
| 6.3A | 2900 | 3220 | 9149 | 72.7 | 10.91 | 12.5 | Y160L-2 | 18.5 |
| 3865 | 9265 | 76.2 | 12.65 | 14.5 | ||||
| 4509 | 9219 | 78.2 | 14.3 | 16.4 | ||||
| 5153 | 9055 | 78.5 | 16 | 18.4 | ||||
| 5690 | 8857 | 77.2 | 17.59 | 20.2 | Y200L1-2 | 30 | ||
| 6334 | 8543 | 74.5 | 19.6 | 22.5 | ||||
| 6978 | 8148 | 70.5 | 21.79 | 25.1 | ||||
| 7.1D | 2900 | 4610 | 11717 | 72.7 | 19.83 | 23.3 | Y200L2-2 | 37 |
| 5532 | 11868 | 76.2 | 22.99 | 27 | ||||
| 6454 | 11807 | 78.2 | 25.99 | 30.5 | ||||
| 7376 | 11596 | 78.5 | 29.09 | 34.1 | ||||
| 8144 | 11340 | 77.2 | 31.98 | 37.5 | Y250M-2 | 55 | ||
| 9066 | 10935 | 74.5 | 35.63 | 41.8 | ||||
| 9988 | 10426 | 70.5 | 39.65 | 46.5 | ||||
| 8D | 2900 | 6594 | 15034 | 72.7 | 36.02 | 42.3 | Y280S-2 | 75 |
| 7913 | 15229 | 76.2 | 41.75 | 49 | ||||
| 9232 | 15151 | 78.2 | 47.21 | 55.4 | ||||
| 10550 | 14877 | 78.5 | 52.83 | 62 | ||||
| 11649 | 14546 | 77.2 | 58.08 | 68.2 | ||||
| 12968 | 14021 | 74.5 | 64.71 | 75.9 | Y315S-2 | 110 | ||
| 14287 | 13362 | 70.5 | 71.95 | 84.4 | ||||
| 1450 | 3297 | 3620 | 72.7 | 4.5 | 5.5 | Y132M-4 | 7.5 | |
| 3957 | 3665 | 76.2 | 5.22 | 6.1 | ||||
| 4616 | 3647 | 78.2 | 5.9 | 6.9 | ||||
| 5275 | 3584 | 78.5 | 6.6 | 7.7 | Y160L-4 | 15 | ||
| 5825 | 3507 | 77.2 | 7.26 | 8.5 | ||||
| 6484 | 3384 | 74.5 | 8.09 | 9.5 | ||||
| 7144 | 3231 | 70.5 | 8.99 | 10.6 | ||||
| 9D | 1450 | 4695 | 4597 | 72.7 | 8.11 | 9.5 | Y160L-4 | 15 |
| 5633 | 4655 | 76.2 | 9.41 | 11 | ||||
| 6572 | 4632 | 78.2 | 10.63 | 12.5 | ||||
| 7511 | 4551 | 78.5 | 11.9 | 14 | ||||
| 8294 | 4453 | 77.2 | 13.08 | 15.4 | Y180L-4 | 22 | ||
| 9233 | 4297 | 74.5 | 14.58 | 17.1 | ||||
| 10171 | 4101 | 70.5 | 16.21 | 19 | ||||
| 10D | 1450 | 6440 | 5840 | 76.5 | 13.38 | 15.7 | Y200L-4 | 30 |
| 7942 | 5941 | 80 | 16.03 | 18.8 | ||||
| 9445 | 5891 | 81.5 | 18.59 | 21.8 | ||||
| 10947 | 5740 | 81 | 21.12 | 24.8 | ||||
| 12450 | 5495 | 78.2 | 23.84 | 28 | ||||
| 13952 | 5244 | 74.5 | 26.79 | 31.4 | Y225S-4 | 37 | ||
| 15455 | 4958 | 70 | 29.88 | 35.1 | ||||
| 11.2D | 1450 | 9047 | 7364 | 76.5 | 23.58 | 27.7 | Y225M-4 | 45 |
| 11158 | 7491 | 80 | 28.25 | 33.2 | ||||
| 13269 | 7428 | 81.5 | 32.76 | 38.4 | ||||
| 15380 | 7236 | 81 | 37.22 | 43.7 | ||||
| 17491 | 6927 | 78.2 | 42.02 | 49.3 | Y280S-4 | 75 | ||
| 19602 | 6609 | 74.5 | 47.21 | 55.4 | ||||
| 21713 | 6246 | 70 | 52.66 | 61.8 | ||||
| 960 | 5990 | 3182 | 76.5 | 6.84 | 8 | Y180L-6 | 15 | |
| 7388 | 3237 | 80 | 8.2 | 9.6 | ||||
| 8785 | 3210 | 81.5 | 9.51 | 11.2 | ||||
| 10182 | 3128 | 81 | 10.8 | 12.7 | ||||
| 11580 | 2996 | 78.2 | 12.19 | 14.3 | ||||
| 12978 | 2860 | 74.5 | 13.7 | 16.1 | Y200L2-6 | 22 | ||
| 14375 | 2705 | 70 | 15.28 | 17.9 | ||||
| 12.5D | 1450 | 12577 | 9229 | 76.5 | 40.84 | 47.9 | Y280S-4 | 75 |
| 15512 | 9390 | 80 | 48.92 | 57.4 | ||||
| 18447 | 9310 | 81.5 | 56.72 | 66.6 | ||||
| 21381 | 9068 | 81 | 64.46 | 75.6 | Y315S-4 | 110 | ||
| 24316 | 8678 | 78.2 | 72.76 | 85.4 | ||||
| 27251 | 8278 | 74.5 | 81.75 | 95.9 | ||||
| 30186 | 7822 | 70 | 91.17 | 107 | ||||
| 960 | 8327 | 3975 | 76.5 | 11.85 | 13.9 | Y200L2-6 | 22 | |
| 10270 | 4043 | 80 | 14.2 | 16.7 | ||||
| 12213 | 4009 | 81.5 | 16.46 | 19.3 | ||||
| 14156 | 3907 | 81 | 18.71 | 21.9 | ||||
| 16099 | 3741 | 78.2 | 21.11 | 24.8 | Y250M-6 | 37 | ||
| 18042 | 3571 | 74.5 | 23.72 | 27.8 | ||||
| 19985 | 3377 | 70 | 26.46 | 31.1 | ||||
| 14D | 1450 | 17670 | 11668 | 76.5 | 71.97 | 84.5 | Y315M-4 | 132 |
| 21793 | 11874 | 80 | 86.22 | 101.2 | ||||
| 25916 | 11771 | 81.5 | 99.96 | 117.3 | ||||
| 30040 | 11464 | 81 | 113.59 | 133.3 | Y355M-4 | 220 | ||
| 34163 | 10967 | 78.2 | 128.22 | 150.5 | ||||
| 38286 | 10457 | 74.5 | 144.06 | 169.1 | ||||
| 42409 | 9878 | 70 | 160.69 | 188.6 | ||||
| 960 | 11699 | 5004 | 76.5 | 20.89 | 24.5 | Y250M-6 | 37 | |
| 14428 | 5090 | 80 | 25.02 | 29.4 | ||||
| 17158 | 5047 | 81.5 | 29.01 | 34 | ||||
| 19888 | 4917 | 81 | 32.97 | 38.7 | Y315S-6 | 75 | ||
| 22618 | 4709 | 78.2 | 37.21 | 43.7 | ||||
| 25348 | 4494 | 74.5 | 41.81 | 49.1 | ||||
| 28078 | 4248 | 70 | 46.63 | 54.7 | ||||
| 16D | 1450 | 26377 | 15425 | 76.5 | 140.31 | 164.6 | Y355M3-4 | 315 |
| 32531 | 15700 | 80 | 168.09 | 197.2 | ||||
| 38686 | 15563 | 81.5 | 194.89 | 228.7 | ||||
| 44841 | 15151 | 81 | 211.46 | 259.9 | ||||
| 50995 | 14488 | 78.2 | 249.98 | 293.3 | ||||
| 57150 | 6683 | 74.5 | 280.88 | 329.6 | JS138-4 | 410 | ||
| 63305 | 6627 | 70 | 313.29 | 367.6 | ||||
| 960 | 17463 | 6570 | 76.5 | 40.72 | 47.8 | Y315S-6 | 75 | |
| 21538 | 6683 | 80 | 48.78 | 57.2 | ||||
| 25613 | 6627 | 81.5 | 56.56 | 66.4 | ||||
| 29687 | 6456 | 81 | 64.72 | 75.4 | Y315L1-6 | 110 | ||
| 33762 | 6180 | 78.2 | 72.55 | 85.1 | ||||
| 37837 | 5898 | 74.5 | 81.52 | 95.7 | ||||
| 41912 | 5575 | 70 | 90.92 | 106.7 | ||||
| 型號 | 轉速(rpm) |
風量 (m3/h) |
全壓 (Pa) |
內效率 (%) |
內功率 (KW) |
所需功率 (KW) |
電機 | |
| 型號 |
功率 (KW) |
|||||||
| 4A | 2900 | 2198 | 3852 | 74.7 | 3.11 | 3.7 | Y132S1-2 | 5.5 |
| 2368 | 3820 | 75.5 | 3.28 | 3.9 | ||||
| 2536 | 3765 | 75.7 | 3.46 | 4.1 | ||||
| 2706 | 3584 | 75 | 3.65 | 4.4 | ||||
| 2877 | 3607 | 73.8 | 3.86 | 4.6 | ||||
| 3044 | 3502 | 72.1 | 4.06 | 4.9 | ||||
| 3215 | 3407 | 70 | 4.29 | 5.2 | ||||
| 4.5A | 2900 | 3130 | 4910 | 76.1 | 5.51 | 6.3 | Y132S2-2 | 7.5 |
| 3407 | 4863 | 77.1 | 5.87 | 6.8 | ||||
| 3685 | 4776 | 77.1 | 6.24 | 7.2 | ||||
| 3963 | 4661 | 76 | 6.64 | 7.6 | Y160M1-2 | 11 | ||
| 4237 | 4545 | 74.5 | 7.06 | 8.1 | ||||
| 4515 | 4412 | 72.3 | 7.54 | 8.7 | ||||
| 4792 | 4256 | 70 | 7.98 | 9.2 | ||||
| 5A | 2900 | 4293 | 6035 | 77.2 | 9.12 | 10.5 | Y160M2-2 | 15 |
| 4706 | 5984 | 78.2 | 9.8 | 11.3 | ||||
| 5114 | 5869 | 78 | 10.48 | 12 | ||||
| 5527 | 5725 | 76.7 | 11.23 | 12.9 | ||||
| 5941 | 5553 | 74.9 | 12 | 13.8 | ||||
| 6349 | 5381 | 72.7 | 12.81 | 14.7 | ||||
| 6762 | 5180 | 70 | 13.65 | 15.7 | Y160L-2 | 18.5 | ||
| 5.6A | 2900 | 6032 | 7610 | 77.2 | 16.09 | 18.5 | Y180M-2 | 22 |
| 6612 | 7546 | 78.2 | 17.27 | 19.9 | ||||
| 7185 | 7400 | 78 | 18.47 | 21.2 | ||||
| 7766 | 7218 | 76.7 | 19.79 | 22.8 | Y200L1-2 | 30 | ||
| 9346 | 7000 | 74.9 | 21.15 | 24.3 | ||||
| 8919 | 6781 | 72.7 | 22.57 | 26 | ||||
| 9500 | 6527 | 70 | 24.06 | 27.7 | ||||
| 6.3A | 2900 | 8588 | 9698 | 77.2 | 28.99 | 33.3 | Y225M-2 | 45 |
| 9415 | 9616 | 78.2 | 31.12 | 35.8 | ||||
| 10230 | 9429 | 78 | 33.28 | 38.3 | ||||
| 11056 | 9195 | 76.7 | 35.66 | 41 | ||||
| 11883 | 8915 | 74.9 | 38.12 | 43.8 | ||||
| 12699 | 8636 | 72.7 | 40.67 | 46.8 | Y250M-2 | 55 | ||
| 13525 | 8310 | 70 | 43.35 | 49.9 | ||||
| 7.1D | 2900 | 12292 | 12427 | 77.2 | 52.7 | 61.8 | Y280S-2 | 75 |
| 13475 | 12321 | 78.2 | 56.57 | 66.4 | ||||
| 14643 | 12078 | 78 | 60.49 | 71 | ||||
| 15826 | 11776 | 76.7 | 64.84 | 76.1 | Y315S-2 | 110 | ||
| 17009 | 11415 | 74.9 | 69.3 | 81.3 | ||||
| 18177 | 11055 | 72.7 | 73.94 | 86.8 | ||||
| 19360 | 10635 | 70 | 78.82 | 92.5 | ||||
| 8D | 2900 | 17584 | 15955 | 77.2 | 95.72 | 112.3 | Y315M-2 | 132 |
| 19277 | 15818 | 78.2 | 102.73 | 120.5 | ||||
| 20947 | 15504 | 78 | 109.86 | 128.9 | ||||
| 22640 | 15112 | 76.7 | 117.75 | 138.2 | Y315L2-2 | 200 | ||
| 24332 | 14644 | 74.9 | 125.85 | 147.7 | ||||
| 26003 | 14177 | 72.7 | 134.28 | 157.6 | ||||
| 27696 | 13634 | 70 | 143.14 | 168 | ||||
| 1450 | 8792 | 3834 | 77.2 | 11.96 | 14 | Y180M-4 | 18.5 | |
| 9636 | 3802 | 78.2 | 12.84 | 15.1 | ||||
| 10473 | 3729 | 78 | 13.73 | 16.1 | ||||
| 11320 | 3638 | 76.7 | 14.72 | 17.3 | ||||
| 12166 | 3529 | 74.9 | 15.73 | 18.5 | ||||
| 13001 | 3421 | 72.7 | 16.79 | 19.7 | Y200L-4 | 30 | ||
| 13848 | 3294 | 70 | 17.89 | 21 | ||||
| 9D | 1450 | 12518 | 4869 | 77.2 | 21.56 | 25.3 | Y200L-4 | 30 |
| 13723 | 4828 | 78.2 | 23.14 | 27.2 | ||||
| 14913 | 4736 | 78 | 24.75 | 29 | ||||
| 16118 | 4620 | 76.7 | 26.53 | 31.1 | Y225M-4 | 45 | ||
| 17322 | 4481 | 74.9 | 28.35 | 33.3 | ||||
| 18512 | 4343 | 72.7 | 30.25 | 35.5 | ||||
| 19717 | 4181 | 70 | 32.24 | 37.8 | ||||
| 10D | 1450 | 17172 | 6143 | 80.4 | 35.69 | 41.9 | Y250M-4 | 55 |
| 19319 | 6056 | 81.2 | 39.19 | 46 | ||||
| 21465 | 5920 | 80.4 | 43.02 | 50.5 | ||||
| 23612 | 5761 | 78.6 | 47.1 | 55.3 | Y280S-4 | 75 | ||
| 25758 | 5560 | 76 | 51.35 | 60.3 | ||||
| 27905 | 5309 | 73 | 55.35 | 65 | ||||
| 30052 | 5065 | 70 | 59.34 | 69.6 | ||||
| 11.2D | 1450 | 24126 | 7747 | 80.4 | 62.9 | 73.8 | Y315S-4 | 110 |
| 27142 | 7637 | 81.2 | 69.07 | 81 | ||||
| 30157 | 7464 | 80.4 | 75.82 | 89 | ||||
| 33173 | 7264 | 78.6 | 83.01 | 97.4 | ||||
| 36189 | 7009 | 76 | 90.5 | 106.2 | ||||
| 39205 | 6691 | 73 | 97.54 | 114.5 | Y315M-4 | 132 | ||
| 42221 | 6382 | 70 | 104.58 | 122.7 | ||||
| 960 | 15973 | 3346 | 80.4 | 18.25 | 21.4 | Y225M-6 | 30 | |
| 17969 | 3299 | 81.2 | 20.04 | 23.5 | ||||
| 19966 | 3225 | 80.4 | 22 | 25.8 | ||||
| 21963 | 3140 | 78.6 | 24.09 | 28.3 | ||||
| 23959 | 3031 | 76 | 26.26 | 30.8 | Y250M-6 | 37 | ||
| 25956 | 2895 | 73 | 28.31 | 33.2 | ||||
| 27953 | 2763 | 70 | 30.35 | 35.6 | ||||
| 12.5D | 1450 | 33540 | 9713 | 80.4 | 108.91 | 127.8 | Y315L1-4 | 160 |
| 37732 | 9575 | 81.2 | 119.6 | 140.3 | ||||
| 41925 | 9356 | 80.4 | 131.3 | 154.1 | ||||
| 46117 | 9103 | 78.6 | 143.75 | 168.7 | Y355M2-4 | 250 | ||
| 50310 | 8782 | 76 | 156.7 | 183.9 | ||||
| 54503 | 8381 | 73 | 168.9 | 198.2 | ||||
| 58694 | 7993 | 70 | 181.1 | 212.5 | ||||
| 960 | 22206 | 4179 | 80.4 | 31.61 | 37.1 | Y280S-6 | 45 | |
| 24981 | 4121 | 81.2 | 34.71 | 40.7 | ||||
| 27757 | 4028 | 80.4 | 38.1 | 44.7 | ||||
| 30533 | 3921 | 78.6 | 41.72 | 49 | Y315S-6 | 75 | ||
| 33309 | 3785 | 76 | 45.48 | 53.4 | ||||
| 36084 | 3615 | 73 | 49.02 | 57.5 | ||||
| 38860 | 3450 | 70 | 52.56 | 61.7 | ||||
| 14D | 1450 | 47121 | 12285 | 80.4 | 191.94 | 225.3 | Y355M2-4 | 250 |
| 53011 | 12109 | 81.2 | 210.78 | 247.3 | ||||
| 58902 | 11830 | 80.4 | 231.39 | 271.5 | JS138-4 | 410 | ||
| 64792 | 11508 | 78.6 | 253.33 | 297.3 | ||||
| 70682 | 11099 | 76 | 276.16 | 324.1 | ||||
| 76572 | 10589 | 73 | 297.66 | 349.3 | ||||
| 82463 | 10095 | 70 | 319.16 | 374.3 | ||||
| 960 | 31197 | 5262 | 80.4 | 55.7 | 65.4 | Y315S-6 | 75 | |
| 35097 | 5188 | 81.2 | 61.17 | 71.8 | ||||
| 38997 | 5071 | 80.4 | 67.15 | 78.8 | Y315L1-6 | 110 | ||
| 42897 | 4936 | 78.6 | 73.52 | 86.3 | ||||
| 46796 | 4764 | 76 | 80.15 | 94 | ||||
| 50696 | 4549 | 73 | 86.39 | 101.4 | ||||
| 54596 | 4341 | 70 | 92.63 | 108.7 | ||||
| 16D | 1450 | 70339 | 16250 | 80.4 | 374.22 | 439.1 |
JSQ147-4 (3000V) |
500 |
| 79131 | 16014 | 81.2 | 410.95 | 482.2 | ||||
| 87923 | 15640 | 80.4 | 451.14 | 529.4 |
JSQ158-4 (3000V) |
850 | ||
| 96716 | 15210 | 78.6 | 493.92 | 579.6 | ||||
| 105500 | 14663 | 76 | 538.43 | 631.8 | ||||
| 114300 | 13983 | 73 | 580.35 | 681 | ||||
| 123090 | 13324 | 70 | 622.26 | 730.2 | ||||
| 960 | 46569 | 6911 | 80.4 | 108.6 | 127.4 | Y355M1-6 | 185 | |
| 52390 | 6813 | 81.2 | 119.26 | 139.9 | ||||
| 58211 | 6659 | 80.4 | 130.92 | 153.6 | ||||
| 64032 | 6481 | 78.6 | 143.34 | 168.2 | ||||
| 69854 | 6254 | 76 | 156.25 | 183.3 | ||||
| 75675 | 5971 | 73 | 168.42 | 197.6 | Y355M3-6 | 220 | ||
| 81496 | 5696 | 70 | 180.58 | 211.9 | ||||
| 系列 | 型號 | 進口尺寸 | 出口尺寸 | |||||||||||
| D1 | D2 | D3 | n1-d1 | A1 | A2 | A3 | A4 | A5 | A6 | x | y | n2-d2 | ||
| 9-19 | 4 | 180 | 205 | 230 | 8-Φ7 | 128 | 160 | 182 | 92 | 126 | 148 | 4 | 3 | 14-Φ7 |
| 4.5 | 200 | 225 | 250 | 8-Φ7 | 144 | 176 | 198 | 104 | 135 | 160 | 4 | 3 | 14-Φ7 | |
| 5 | 224 | 254 | 284 | 8-Φ7 | 160 | 192 | 214 | 115 | 150 | 171 | 4 | 3 | 14-Φ7 | |
| 5.6 | 250 | 280 | 310 | 8-Φ10 | 179 | 212 | 233 | 129 | 162 | 185 | 4 | 3 | 14-Φ7 | |
| 6.3 | 280 | 320 | 360 | 8-Φ10 | 202 | 236 | 258 | 145 | 180 | 204 | 4 | 3 | 14-Φ7 | |
| 9-26 | 4 | 224 | 254 | 284 | 8-Φ7 | 196 | 228 | 250 | 128 | 165 | 184 | 4 | 3 | 14-Φ7 |
| 4.5 | 250 | 280 | 310 | 8-Φ7 | 221 | 252 | 275 | 144 | 177 | 200 | 4 | 3 | 14-Φ7 | |
| 5 | 280 | 320 | 360 | 8-Φ10 | 245 | 284 | 299 | 160 | 192 | 216 | 4 | 3 | 14-Φ7 | |
| 5.6 | 315 | 355 | 395 | 8-Φ10 | 274 | 305 | 328 | 179 | 212 | 235 | 4 | 3 | 18-Φ7 | |
| 6.3 | 355 | 395 | 435 | 8Φ10 | 309 | 340 | 365 | 202 | 236 | 216 | 4 | 3 | 18-Φ7 | |
| 外形尺寸 | 基礎尺寸 |
地腳螺栓 (4套) |
重量kg (不含電機) |
||||||||||
| E | F | G | K | M | N | a | b | c | d | e | f | 規格 | |
| 100 | 262 | 587 | 286 | 715 | 420 | 200 | 350 | 50 | 300 | 385 | 35 | M12*300 | 43 |
| 110 | 295 | 661 | 322 | 782 | 450 | 240 | 390 | 50 | 340 | 430 | 39 | 12*300 | 54 |
| 126 | 328 | 734 | 358 | 868 | 500 | 340 | 450 | 50 | 440 | 495 | 43 | 12*300 | 66 |
| 140 | 367 | 821 | 401 | 962 | 550 | 350 | 485 | 50 | 450 | 534 | 48 | 12*300 | 90 |
| 157 | 413 | 925 | 451 | 1085 | 620 | 450 | 570 | 50 | 570 | 626 | 55 | 16*400 | 138 |
| 132 | 360 | 711 | 287 | 761 | 450 | 240 | 390 | 50 | 340 | 430 | 49 | M12*300 | 50 |
| 147 | 405 | 799 | 322 | 849 | 500 | 340 | 450 | 50 | 440 | 495 | 55 | 12*300 | 62 |
| 165 | 450 | 887 | 359 | 937 | 550 | 350 | 485 | 50 | 450 | 534 | 61 | 12*300 | 78 |
| 185 | 504 | 993 | 402 | 1053 | 620 | 450 | 570 | 60 | 570 | 626 | 68 | 16*400 | 118 |
| 209 | 467 | 1117 | 451 | 1167 | 680 | 550 | 720 | 70 | 690 | 780 | 77 | 20*500 | 170 |
| 系列 | 型號 | 進口尺寸 | 出口尺寸 | |||||||||||
| D1 | D2 | D3 | n1-d1 | A1 | A2 | A3 | A4 | A5 | A6 | x | y | n2-d2 | ||
| 9-19 | 7.1 | 315 | 355 | 395 | 8-10 | 227 | 270 | 293 | 163 | 204 | 232 | 4 | 3 | 14-10 |
| 8 | 355 | 395 | 435 | 8-10 | 256 | 290 | 322 | 184 | 228 | 253 | 4 | 3 | 14-10 | |
| 9 | 400 | 450 | 500 | 8-12 | 288 | 330 | 354 | 207 | 252 | 276 | 5 | 4 | 18-10 | |
| 10 | 450 | 500 | 550 | 8-12 | 320 | 360 | 386 | 230 | 276 | 299 | 5 | 4 | 18-10 | |
| 11.2 | 500 | 560 | 620 | 12-12 | 359 | 415 | 448 | 258 | 316 | 350 | 5 | 4 | 18-12 | |
| 12.5 | 560 | 620 | 680 | 12-12 | 400 | 456 | 489 | 288 | 344 | 380 | 6 | 4 | 20-12 | |
| 14 | 630 | 690 | 750 | 12-12 | 448 | 516 | 557 | 322 | 405 | 438 | 6 | 5 | 22-12 | |
| 16 | 710 | 770 | 830 | 16-12 | 512 | 574 | 621 | 368 | 440 | 484 | 7 | 5 | 24-12 | |
| 9-26 | 7.1 | 400 | 450 | 500 | 8-12 | 348 | 390 | 414 | 227 | 272 | 296 | 6 | 4 | 20-10 |
| 8 | 450 | 500 | 550 | 8-12 | 392 | 432 | 458 | 256 | 300 | 325 | 6 | 4 | 20-10 | |
| 9 | 500 | 560 | 620 | 12-12 | 441 | 483 | 507 | 288 | 330 | 357 | 6 | 4 | 20-10 | |
| 10 | 560 | 620 | 680 | 12-12 | 490 | 528 | 556 | 320 | 356 | 389 | 6 | 4 | 20-10 | |
| 11.2 | 630 | 690 | 750 | 12-12 | 549 | 600 | 638 | 358 | 410 | 450 | 8 | 5 | 26-12 | |
| 12.5 | 710 | 770 | 830 | 16-12 | 613 | 664 | 702 | 400 | 456 | 492 | 8 | 6 | 28-12 | |
| 14 | 800 | 860 | 920 | 16-12 | 686 | 747 | 795 | 448 | 516 | 564 | 9 | 6 | 30-12 | |
| 16 | 900 | 970 | 1040 | 16-15 | 784 | 840 | 893 | 512 | 588 | 628 | 10 | 7 | 34-12 | |
| 外形尺寸 | 基礎尺寸 | |||||||||||||
| E | F | G | K | L | M | H | a | b | c | d | e | f | g | H |
| 177 | 466 | 1043 | 509 | 1230 | 1278 | 280 | 520 | 440 | 300 | 590 | 510 | 193 | 251 | 61 |
| 200 | 525 | 1173 | 572 | 1256 | 1428 | 280 | 520 | 440 | 303 | 590 | 510 | 207 | 265 | 61 |
| 226 | 590 | 1318 | 644 | 1289 | 1586 | 280 | 520 | 440 | 310 | 590 | 510 | 223 | 281 | 61 |
| 250 | 656 | 1464 | 715 | 1317 | 1748 | 280 | 520 | 440 | 314 | 590 | 510 | 239 | 297 | 61 |
| 280 | 735 | 1641 | 801 | 1565 | 1947 | 375 | 700 | 620 | 366 | 780 | 700 | 261 | 319 | 61 |
| 313 | 820 | 1830 | 895 | 1603 | 2156 | 375 | 700 | 620 | 372 | 780 | 700 | 282 | 340 | 61 |
| 350 | 920 | 2050 | 1001 | 2031 | 2400 | 500 | 900 | 900 | 478 | 1000 | 1000 | 336 | 436 | 112 |
| 400 | 1050 | 2340 | 1144 | 2091 | 2735 | 500 | 900 | 900 | 488 | 1000 | 1000 | 372 | 472 | 112 |
| 237 | 639 | 1259 | 509 | 1317 | 1369 | 280 | 520 | 440 | 327 | 590 | 510 | 242 | 300 | 61 |
| 262 | 720 | 1418 | 574 | 1349 | 1528 | 280 | 520 | 440 | 334 | 590 | 510 | 263 | 321 | 61 |
| 294 | 810 | 1594 | 646 | 1392 | 1699 | 280 | 520 | 440 | 346 | 590 | 510 | 286 | 344 | 61 |
| 327 | 900 | 1770 | 717 | 1433 | 1870 | 280 | 520 | 440 | 353 | 590 | 510 | 309 | 367 | 61 |
| 367 | 1008 | 1983 | 803 | 1694 | 2088 | 375 | 700 | 620 | 409 | 780 | 700 | 340 | 398 | 61 |
| 418 | 1125 | 2212 | 896 | 1755 | 2312 | 375 | 700 | 620 | 419 | 780 | 700 | 370 | 428 | 61 |
| 469 | 1260 | 2481 | 1003 | 2199 | 2562 | 500 | 900 | 900 | 527 | 1000 | 1000 | 438 | 538 | 112 |
| 524 | 1440 | 2830 | 1148 | 2271 | 2945 | 500 | 900 | 900 | 544 | 1000 | 1000 | 484 | 584 | 112 |
訂貨時應注明風機的型號、型號、轉速、風量、壓力、傳動方式、出風口角度、旋轉方向及電動機型號規格。